
We are Octaforce PL Type Poly V Pulley Manufacturer, Distributors, Stockists and Dealers. We can provide you PL Type Poly V Pulley at Best price.
You can send inquiry for PL Type Poly V Pulley by clicking here .
Octaforce Poly V Pulley PL type with Taperlock bush : High-Quality Power Transmission Solution
Octaforce offers a range of PL type with Taperlock bush Poly V pulleys designed for efficient power transmission in various industrial applications. Our Poly V pulleys PL type with Taperlock bush are manufactured using high-grade materials, ensuring durability and reliability.


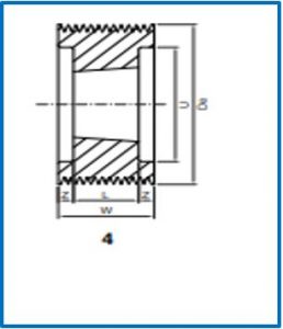
| De [mm] |
Part Number |
Number of grooves |
Type | SER-SIT® Taper bushing |
L [mm] |
z [mm] |
U [mm] |
W [mm] |
| 75 | 75 PL-6 | 6 | 2 | 1210 | 26 | 12,5 | 56 | 38,5 |
| 75 PL-8 | 8 | 2 | 1210 | 26 | 22 | 56 | 48,0 | |
| 75 PL-10 | 10 | 2 | 1215 | 42 | 15 | 56 | 57,0 | |
| 75 PL-12 | 12 | 2 | 1215 | 42 | 25 | 56 | 67,0 | |
| 80 | 80 PL-6 | 6 | 2 | 1210 | 26 | 12,5 | 56 | 38,5 |
| 80 PL-8 | 8 | 2 | 1210 | 26 | 22 | 56 | 48,0 | |
| 80 PL-10 | 10 | 2 | 1215 | 42 | 15 | 56 | 57,0 | |
| 80 PL-12 | 12 | 2 | 1215 | 42 | 25 | 56 | 67,0 | |
| 85 | 85 PL-6 | 6 | 2 | 1210 | 26 | 12,5 | 61 | 38,5 |
| 85 PL-8 | 8 | 2 | 1210 | 26 | 22 | 61 | 48,0 | |
| 85 PL-10 | 10 | 2 | 1215 | 42 | 15 | 61 | 57,0 | |
| 85 PL-12 | 12 | 2 | 1215 | 42 | 25 | 61 | 67,0 | |
| 85 PL-16 | 16 | 4 | 1215 | 42 | 22 | 61 | 86,0 | |
| 90 | 90 PL-6 | 6 | 2 | 1210 | 26 | 12,5 | 66 | 38,5 |
| 90 PL-8 | 8 | 2 | 1210 | 26 | 22 | 66 | 48,0 | |
| 90 PL-10 | 10 | 2 | 1215 | 42 | 15 | 66 | 57,0 | |
| 90 PL-12 | 12 | 2 | 1215 | 42 | 25 | 66 | 67,0 | |
| 90 PL-16 | 16 | 4 | 1215 | 42 | 22 | 66 | 86,0 | |
| 95 | 95 PL-6 | 6 | 2 | 1210 | 26 | 12,5 | 71 | 38,5 |
| 95 PL-8 | 8 | 2 | 1210 | 26 | 22 | 71 | 48,0 | |
| 95 PL-10 | 10 | 2 | 1215 | 42 | 15 | 71 | 57,0 | |
| 95 PL-12 | 12 | 2 | 1215 | 42 | 25 | 71 | 67,0 | |
| 95 PL-16 | 16 | 4 | 1215 | 42 | 22 | 71 | 86,0 | |
| 100 | 100 PL-6 | 6 | 2 | 1610 | 26 | 12,5 | 76 | 38,5 |
| 100 PL-8 | 8 | 2 | 1610 | 26 | 22 | 76 | 48,0 | |
| 100 PL-10 | 10 | 2 | 2012 | 32 | 25 | 79 | 57,0 | |
| 100 PL-12 | 12 | 2 | 2012 | 32 | 35 | 79 | 67,0 | |
| 100 PL-16 | 16 | 4 | 2012 | 32 | 27 | 79 | 86,0 | |
| 106 | 106 PL-6 | 6 | 2 | 1610 | 26 | 12,5 | 82 | 38,5 |
| 106 PL-8 | 8 | 2 | 1610 | 26 | 22 | 82 | 48,0 | |
| 106 PL-10 | 10 | 2 | 2012 | 32 | 25 | 82 | 57,0 | |
| 106 PL-12 | 12 | 2 | 2012 | 32 | 35 | 82 | 67,0 | |
| 106 PL-16 | 16 | 4 | 2012 | 32 | 27 | 82 | 86,0 | |
| 112 | 112 PL-6 | 6 | 2 | 1610 | 26 | 12,5 | 88 | 38,5 |
| 112 PL-8 | 8 | 2 | 1610 | 26 | 22 | 88 | 48,0 | |
| 112 PL-10 | 10 | 2 | 2012 | 32 | 25 | 88 | 57,0 | |
| 112 PL-12 | 12 | 2 | 2012 | 32 | 35 | 88 | 67,0 | |
| 112 PL-16 | 16 | 4 | 2012 | 32 | 27 | 88 | 86,0 | |
| 118 | 118 PL-6 | 6 | 2 | 2012 | 32 | 6,5 | 94 | 38,5 |
| 118 PL-8 | 8 | 2 | 2012 | 32 | 16 | 94 | 48,0 | |
| 118 PL-10 | 10 | 4 | 2517 | 45 | 6 | 97 | 57,0 | |
| 118 PL-12 | 12 | 4 | 2517 | 45 | 11 | 97 | 67,0 | |
| 118 PL-16 | 16 | 4 | 2517 | 45 | 20,5 | 97 | 86,0 | |
| 118 PL-20 | 20 | 4 | 2517 | 45 | 30 | 97 | 105,0 | |
| 125 | 125 PL-6 | 6 | 2 | 2012 | 32 | 6,5 | 101 | 38,5 |
| 125 PL-8 | 8 | 2 | 2012 | 32 | 16 | 101 | 48,0 | |
| 125 PL-10 | 10 | 4 | 2517 | 45 | 6 | 101 | 57,0 | |
| 125 PL-12 | 12 | 4 | 2517 | 45 | 11 | 101 | 67,0 | |
| 125 PL-16 | 16 | 4 | 2517 | 45 | 20,5 | 101 | 86,0 | |
| 125 PL-20 | 20 | 4 | 2517 | 45 | 30 | 101 | 105,0 | |
| 132 | 132 PL-6 | 6 | 2 | 2012 | 32 | 6,5 | 108 | 38,5 |
| 132 PL-8 | 8 | 2 | 2012 | 32 | 16 | 108 | 48,0 | |
| 132 PL-10 | 10 | 4 | 2517 | 45 | 6 | 108 | 57,0 | |
| 132 PL-12 | 12 | 4 | 2517 | 45 | 11 | 108 | 67,0 | |
| 132 PL-16 | 16 | 4 | 2517 | 45 | 20,5 | 108 | 86,0 | |
| 132 PL-20 | 20 | 4 | 2517 | 45 | 30 | 108 | 105,0 |






| De [mm] |
Part Number |
Number of grooves |
Type | SER-SIT® Taper bushing |
L [mm] |
z [mm] |
M [mm] |
U [mm] |
W [mm] |
| 140 | 140 PL-6 | 6 | 7 | 2517 | 45 | 6,5 | 120 | − | 38,5 |
| 140 PL-8 | 8 | 2 | 2517 | 45 | 3 | − | 116 | 48,0 | |
| 140 PL-10 | 10 | 4 | 2517 | 45 | 6 | − | 116 | 57,0 | |
| 140 PL-12 | 12 | 4 | 2517 | 45 | 11 | − | 116 | 67,0 | |
| 140 PL-16 | 16 | 4 | 2517 | 45 | 20,5 | − | 116 | 86,0 | |
| 140 PL-20 | 20 | 4 | 3020 | 52 | 26,5 | − | 116 | 105,0 | |
| 150 | 150 PL-6 | 6 | 7 | 2517 | 45 | 6,5 | 120 | − | 38,5 |
| 150 PL-8 | 8 | 2 | 2517 | 45 | 3 | − | 126 | 48,0 | |
| 150 PL-10 | 10 | 4 | 2517 | 45 | 6 | − | 126 | 57,0 | |
| 150 PL-12 | 12 | 4 | 2517 | 45 | 11 | − | 126 | 67,0 | |
| 150 PL-16 | 16 | 4 | 2517 | 45 | 20,5 | − | 126 | 86,0 | |
| 150 PL-20 | 20 | 4 | 3020 | 52 | 26,5 | − | 126 | 105,0 | |
| 160 | 160 PL-6 | 6 | 7 | 2517 | 45 | 6,5 | 120 | − | 38,5 |
| 160 PL-8 | 8 | 2 | 2517 | 45 | 3 | − | 136 | 48,0 | |
| 160 PL-10 | 10 | 4 | 2517 | 45 | 6 | − | 136 | 57,0 | |
| 160 PL-12 | 12 | 4 | 2517 | 45 | 11 | − | 136 | 67,0 | |
| 160 PL-16 | 16 | 4 | 3020 | 52 | 17 | − | 136 | 86,0 | |
| 160 PL-20 | 20 | 4 | 3020 | 52 | 26,5 | − | 136 | 105,0 | |
| 170 | 170 PL-6 | 6 | 8 | 2517 | 45 | 6,5 | 120 | 146 | 38,5 |
| 170 PL-8 | 8 | 2 | 2517 | 45 | 3 | − | 146 | 48,0 | |
| 170 PL-10 | 10 | 4 | 2517 | 45 | 6 | − | 146 | 57,0 | |
| 170 PL-12 | 12 | 4 | 2517 | 45 | 11 | − | 146 | 67,0 | |
| 170 PL-16 | 16 | 4 | 3020 | 52 | 17 | − | 146 | 86,0 | |
| 170 PL-20 | 20 | 4 | 3020 | 52 | 26,5 | − | 146 | 105,0 | |
| 180 | 180 PL-6 | 6 | 6 | 2517 | 45 | 3,25 | 120 | 156 | 38,5 |
| 180 PL-8 | 8 | 5 | 2517 | 45 | 1,5 | 120 | 156 | 48,0 | |
| 180 PL-10 | 10 | 5 | 2517 | 45 | 6 | 120 | 156 | 57,0 | |
| 180 PL-12 | 12 | 5 | 2517 | 45 | 11 | 120 | 156 | 67,0 | |
| 180 PL-16 | 16 | 4 | 3020 | 52 | 17 | − | 156 | 86,0 | |
| 180 PL-20 | 20 | 4 | 3020 | 52 | 26.5 | − | 156 | 105,0 | |
| 190 | 190 PL-6 | 6 | 6 | 2517 | 45 | 3,25 | 120 | 166 | 38,5 |
| 190 PL-8 | 8 | 5 | 2517 | 45 | 1,5 | 120 | 166 | 48,0 | |
| 190 PL-10 | 10 | 5 | 2517 | 45 | 6 | 120 | 166 | 57,0 | |
| 190 PL-12 | 12 | 5 | 2517 | 45 | 11 | 120 | 166 | 67,0 | |
| 190 PL-16 | 16 | 4 | 3020 | 52 | 17 | 146 | 166 | 86,0 | |
| 190 PL-20 | 20 | 4 | 3020 | 52 | 26.5 | 146 | 166 | 105,0 | |
| 200 | 200 PL-6 | 6 | 6 | 2517 | 45 | 3.25 | 120 | 176 | 38,5 |
| 200 PL-8 | 8 | 5 | 2517 | 45 | 1.5 | 120 | 176 | 48,0 | |
| 200 PL-10 | 10 | 4 | 3020 | 52 | 2,5 | 146 | 176 | 57,0 | |
| 200 PL-12 | 12 | 4 | 3020 | 52 | 7,5 | 146 | 176 | 67,0 | |
| 200 PL-16 | 16 | 4 | 3020 | 52 | 17 | 146 | 176 | 86,0 | |
| 200 PL-20 | 20 | 4 | 3535 | 89 | 8 | − | 176 | 105,0 | |
| 212 | 212 PL-6 | 6 | 6 | 2517 | 45 | 3.25 | 120 | 188 | 38,5 |
| 212 PL-8 | 8 | 5 | 2517 | 45 | 1.5 | 120 | 188 | 48,0 | |
| 212 PL-10 | 10 | 4 | 3020 | 52 | 2,5 | 146 | 188 | 57,0 | |
| 212 PL-12 | 12 | 4 | 3020 | 52 | 7,5 | 146 | 188 | 67,0 | |
| 212 PL-16 | 16 | 4 | 3020 | 52 | 17 | 146 | 88 | 86,0 | |
| 212 PL-20 | 20 | 4 | 3535 | 89 | 8 | − | 188 | 105,0 | |
| 224 | 224 PL-6 | 6 | 6 | 2517 | 45 | 3.25 | 120 | 202 | 38,5 |
| 224 PL-8 | 8 | 5 | 2517 | 45 | 1.5 | 120 | 202 | 48,0 | |
| 224 PL-10 | 10 | 5 | 3020 | 52 | 2,5 | 146 | 202 | 57,0 | |
| 224 PL-12 | 12 | 5 | 3020 | 52 | 7,5 | 146 | 202 | 67,0 | |
| 224 PL-16 | 16 | 5 | 3020 | 52 | 17 | 146 | 202 | 86,0 | |
| 224 PL-20 | 20 | 5 | 3535 | 89 | 8 | 178 | 202 | 105,0 | |
| 236 | 236 PL-6 | 6 | 6 | 2517 | 45 | 3.25 | 120 | 214 | 38,5 |
| 236 PL-8 | 8 | 5 | 2517 | 45 | 1.5 | 120 | 214 | 48,0 | |
| 236 PL-10 | 10 | 5 | 3020 | 52 | 2,5 | 146 | 214 | 57,0 | |
| 236 PL-12 | 12 | 5 | 3020 | 52 | 7,5 | 146 | 214 | 67,0 | |
| 236 PL-16 | 16 | 5 | 3020 | 52 | 17 | 146 | 214 | 86,0 | |
| 236 PL-20 | 20 | 5 | 3535 | 89 | 8 | 178 | 214 | 105,0 |




| De [mm] |
Part Number |
Number of grooves |
Type | SER-SIT® Taper bushing |
L [mm] |
z [mm] |
M [mm] |
U [mm] |
W [mm] |
| 250 | 250 PL-6 | 6 | 9 | 2517 | 45 | 3,25 | 120 | 228 | 38,5 |
| 250 PL-8 | 8 | 5 | 2517 | 45 | 1,5 | 120 | 228 | 48,0 | |
| 250 PL-10 | 10 | 5 | 3020 | 52 | 2,5 | 146 | 228 | 57,0 | |
| 250 PL-12 | 12 | 5 | 3020 | 52 | 7,5 | 146 | 228 | 67,0 | |
| 250 PL-16 | 16 | 5 | 3020 | 52 | 17 | 146 | 228 | 86,0 | |
| 250 PL-20 | 20 | 5 | 3535 | 89 | 8 | 178 | 226 | 105,0 | |
| 280 | 280 PL-6 | 6 | 9 | 2517 | 45 | 3.25 | 120 | 256 | 38,5 |
| 280 PL-8 | 8 | 6 | 3020 | 52 | 2 | 146 | 256 | 48,0 | |
| 280 PL-10 | 10 | 5 | 3020 | 52 | 2,5 | 146 | 256 | 57,0 | |
| 280 PL-12 | 12 | 5 | 3020 | 52 | 7,5 | 146 | 256 | 67,0 | |
| 280 PL-16 | 16 | 6 | 3535 | 89 | 1,5 | 178 | 256 | 86,0 | |
| 280 PL-20 | 20 | 5 | 3535 | 89 | 8 | 178 | 256 | 105,0 | |
| 315 | 315 PL-6 | 6 | 9 | 2517 | 45 | 3,25 | 120 | 285 | 38,5 |
| 315 PL-8 | 8 | 9 | 3020 | 52 | 2 | 146 | 285 | 48,0 | |
| 315 PL-10 | 10 | 6 | 3535 | 89 | 16 | 178 | 285 | 57,0 | |
| 315 PL-12 | 12 | 6 | 3535 | 89 | 11 | 178 | 285 | 67,0 | |
| 315 PL-16 | 16 | 6 | 3535 | 89 | 1.5 | 178 | 285 | 86,0 | |
| 315 PL-20 | 20 | 5 | 4040 | 102 | 1,5 | 215 | 285 | 105,0 | |
| 355 | 355 PL-6 | 6 | 9 | 3020 | 52 | 6,75 | 146 | 325 | 38,5 |
| 355 PL-8 | 8 | 9 | 3020 | 52 | 2 | 146 | 325 | 48,0 | |
| 355 PL-10 | 10 | 9 | 3535 | 89 | 16 | 178 | 325 | 57,0 | |
| 355 PL-12 | 12 | 9 | 3535 | 89 | 11 | 178 | 325 | 67,0 | |
| 355 PL-16 | 16 | 9 | 3535 | 89 | 1,5 | 178 | 325 | 86,0 | |
| 355 PL-20 | 20 | 5 | 4040 | 102 | 1,5 | 215 | 325 | 105,0 | |
| 400 | 400 PL-6 | 6 | 9 | 3020 | 52 | 6,75 | 146 | 370 | 38,5 |
| 400 PL-8 | 8 | 9 | 3020 | 52 | 2 | 146 | 370 | 48,0 | |
| 400 PL-10 | 10 | 9 | 3535 | 89 | 16 | 178 | 370 | 57,0 | |
| 400 PL-12 | 12 | 9 | 3535 | 89 | 11 | 178 | 370 | 67,0 | |
| 400 PL-16 | 16 | 9 | 3535 | 89 | 1,5 | 178 | 370 | 86,0 | |
| 400 PL-20 | 20 | 10 | 4040 | 102 | 1,5 | 215 | 370 | 105,0 | |
| 450 | 450 PL-6 | 6 | 9 | 3020 | 52 | 6,75 | 146 | 420 | 38,5 |
| 450 PL-8 | 8 | 9 | 3020 | 52 | 2 | 146 | 420 | 48,0 | |
| 450 PL-10 | 10 | 9 | 3535 | 89 | 16 | 178 | 420 | 57,0 | |
| 450 PL-12 | 12 | 9 | 3535 | 89 | 11 | 178 | 420 | 67,0 | |
| 450 PL-16 | 16 | 9 | 3535 | 89 | 1,5 | 178 | 420 | 86,0 | |
| 450 PL-20 | 20 | 10 | 4040 | 102 | 1,5 | 215 | 420 | 105,0 | |
| 500 | 500 PL-6 | 6 | 9 | 3020 | 52 | 6,75 | 146 | 470 | 38,5 |
| 500 PL-8 | 8 | 9 | 3020 | 52 | 2 | 146 | 470 | 48,0 | |
| 500 PL-10 | 10 | 9 | 3535 | 89 | 16 | 178 | 470 | 57,0 | |
| 500 PL-12 | 12 | 9 | 3535 | 89 | 11 | 178 | 470 | 67,0 | |
| 500 PL-16 | 16 | 9 | 3535 | 89 | 1,5 | 178 | 470 | 86,0 | |
| 500 PL-20 | 20 | 9 | 5050 | 127 | 11 | 267 | 470 | 105,0 | |
| 630 | 630 PL-6 | 6 | 9 | 3020 | 52 | 6,75 | 146 | 600 | 38,5 |
| 630 PL-8 | 8 | 9 | 3020 | 52 | 2 | 146 | 600 | 48,0 | |
| 630 PL-10 | 10 | 9 | 3535 | 89 | 16 | 178 | 600 | 57,0 | |
| 630 PL-12 | 12 | 9 | 3535 | 89 | 11 | 178 | 600 | 67,0 | |
| 630 PL-16 | 16 | 9 | 4040 | 102 | 8 | 215 | 600 | 86,0 | |
| 630 PL-20 | 20 | 9 | 5050 | 127 | 11 | 267 | 600 | 105,0 | |
| 800 | 800 PL-6 | 6 | 9 | 3535 | 89 | 25,2 | 178 | 770 | 38,5 |
| 800 PL-8 | 8 | 9 | 3535 | 89 | 20,5 | 178 | 770 | 48,0 | |
| 800 PL-10 | 10 | 9 | 4040 | 102 | 22,5 | 215 | 770 | 57,0 | |
| 800 PL-12 | 12 | 9 | 4040 | 102 | 17,5 | 215 | 770 | 67,0 | |
| 800 PL-16 | 16 | 9 | 5050 | 127 | 20,5 | 267 | 770 | 86,0 | |
| 800 PL-20 | 20 | 9 | 5050 | 127 | 11 | 267 | 770 | 105,0 |
Applications:
- Industrial machinery
- Automotive
- HVAC systems
- Power transmission systems
Product Range:
Octaforce offers a wide range of Poly V pulleys, including:
- SPA Pulley
- SPB Pulley
- SPC Pulley
- Custom-made pulleys available upon request ¹ ² ³.
Why Choose Octaforce?
- High-quality products
- Competitive pricing
- Excellent customer service
- Quick delivery
PL POLY V PULLEY WITH TAPERLOCK OCTAFORCE
PL Poly V Pulley with Taper lock bush are made of Cast iron, Steel and Alluminium Material. Our Poly V Pulley offer zero Backlash and silent functioning due to high quality design. These Octaforce PL pulleys are fit to the shaft using the Taper Lock bushes of different sizes depending on the shaft diameter sizes which helps to deter axial misalignment.
We at Octaforce offer variety of sizes of Octaforce Poly V Pulley PL type with Taperlock which are used in many industries including Oil and Gas industries, Chemical Industries, Pharmaceutical industries, Printing industries and Paper industries.
Our manufactured Octaforce Poly V Pulley are majorly used by leading Oil and energy Companies around the globe.
Please Contact us for any inquiry at sales@octaforce.com and octaforce8@gmail.com
