
We are Octaforce PK Type Poly V Pulley Manufacturer, Distributors, Stockists and Dealers. We can provide you PK Type Poly V Pulley at Best price.
You can send inquiry for PK Type Poly V Pulley by clicking here .
Octaforce Poly V Pulley PK type with Taperlock bush : High-Quality Power Transmission Solution
Octaforce offers a range of PK type with Taperlock bush Poly V pulleys designed for efficient power transmission in various industrial applications. Our Poly V pulleys PK type with Taperlock bush are manufactured using high-grade materials, ensuring durability and reliability.




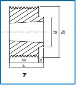
| De [mm] |
Part Number |
Number of grooves |
Type | SER-SIT® Taper bushing |
L [mm] |
z [mm] |
M [mm] |
U [mm] |
d [mm] |
W [mm] |
| 50 | 50 PK-4 | 4 | 1 | − | 32 | − | − | − | 12 | 20,5 |
| 50 PK-6 | 6 | 1 | − | 40 | − | − | − | 12 | 28,5 | |
| 50 PK-8 | 8 | 1 | − | 48 | − | − | − | 12 | 36,0 | |
| 50 PK-10 | 10 | 1 | − | 54 | − | − | − | 12 | 42,0 | |
| 50 PK-12 | 12 | 1 | − | 61 | − | − | − | 12 | 49,0 | |
| 56 | 56 PK-4 | 4 | 3 | 1108 | 20.5 | − | − | − | 20,5 | |
| 56 PK-6 | 6 | 1 | − | 40 | − | − | − | 12 | 28,5 | |
| 56 PK-8 | 8 | 1 | − | 48 | − | − | − | 12 | 36,0 | |
| 56 PK-10 | 10 | 1 | − | 54 | − | − | − | 12 | 42,0 | |
| 56 PK-12 | 12 | 1 | − | 61 | − | − | − | 12 | 49,0 | |
| 60 | 60 PK- | 4 | 3 | 1108 | 20.5 | − | − | − | − | 20,5 |
| 60 PK-6 | 6 | 2 | 1108 | 22 | 6,5 | − | 45 | − | 28,5 | |
| 60 PK-8 | 8 | 1 | − | 48 | − | − | − | 12 | 36,0 | |
| 60 PK-10 | 10 | 1 | − | 54 | − | − | − | 12 | 42,0 | |
| 60 PK-12 | 12 | 1 | − | 61 | − | − | − | 12 | 49,0 | |
| 63 | 63 PK-4 | 4 | 3 | 1108 | 20.5 | − | − | − | − | 20,5 |
| 63 PK-6 | 6 | 2 | 1108 | 22 | 6,5 | − | 48 | − | 28,5 | |
| 63 PK-8 | 8 | 1 | − | 48 | − | − | − | 12 | 36,0 | |
| 63 PK-10 | 10 | 1 | − | 54 | − | − | − | 12 | 42,0 | |
| 63 PK-12 | 12 | 1 | − | 61 | − | − | − | 12 | 49,0 | |
| 67 | 67 PK-4 | 4 | 3 | 1108 | 20.5 | − | − | − | − | 20,5 |
| 67 PK-6 | 6 | 2 | 1108 | 22 | 6,5 | − | 51 | − | 28,5 | |
| 67 PK-8 | 8 | 1 | − | 48 | − | − | − | 12 | 36,0 | |
| 67 PK-10 | 10 | 1 | − | 54 | − | − | − | 12 | 42,0 | |
| 67 PK-12 | 12 | 1 | − | 61 | − | − | − | 12 | 49,0 | |
| 75 | 75 PK-4 | 4 | 3 | 1108 | 20.5 | − | − | − | − | 20,5 |
| 75 PK-6 | 6 | 2 | 1210 | 26 | 2,5 | − | 59 | − | 28,5 | |
| 75 PK-8 | 8 | 2 | 1210 | 26 | 10 | − | 59 | − | 36,0 | |
| 75 PK-10 | 10 | 3 | 1215 | 42 | − | − | − | − | 42,0 | |
| 75 PK-12 | 12 | 2 | 1215 | 42 | 7 | − | 59 | − | 49,0 | |
| 80 | 80 PK-4 | 4 | 7 | 1210 | 26 | 5.5 | 70 | − | − | 20,5 |
| 80 PK-6 | 6 | 2 | 1210 | 26 | 2,5 | − | 64 | − | 28,5 | |
| 80 PK-8 | 8 | 2 | 1210 | 26 | 10 | − | 64 | − | 36,0 | |
| 80 PK-10 | 10 | 3 | 1215 | 42 | − | − | − | − | 42,0 | |
| 80 PK-12 | 12 | 2 | 1215 | 42 | 7 | − | 64 | − | 49,0 | |
| 85 | 85 PK-4 | 4 | 7 | 1210 | 26 | 5,5 | 70 | − | − | 20,5 |
| 85 PK-6 | 6 | 2 | 1210 | 26 | 2.5 | − | 69 | − | 28,5 | |
| 85 PK-8 | 8 | 2 | 1210 | 26 | 10 | − | 69 | − | 36,0 | |
| 85 PK-10 | 10 | 3 | 1215 | 42 | − | − | − | − | 42,0 | |
| 85 PK-12 | 12 | 2 | 1215 | 42 | 7 | − | 69 | − | 49,0 | |
| 90 | 90 PK-4 | 4 | 7 | 1210 | 26 | 5.5 | 82 | − | − | 20,5 |
| 90 PK-6 | 6 | 2 | 1210 | 26 | 2,5 | − | 74 | − | 28,5 | |
| 90 PK-8 | 8 | 2 | 1210 | 26 | 10 | − | 74 | − | 36,0 | |
| 90 PK-10 | 10 | 3 | 1215 | 42 | − | − | − | − | 42,0 | |
| 90 PK-12 | 12 | 2 | 1215 | 42 | 7 | − | 74 | − | 49,0 | |
| 95 | 95 PK-4 | 4 | 7 | 1610 | 26 | 5.5 | 90 | − | − | 20,5 |
| 95 PK-6 | 6 | 2 | 1610 | 26 | 2,5 | − | 79 | − | 28,5 | |
| 95 PK-8 | 8 | 2 | 1610 | 26 | 10 | − | 79 | − | 36,0 | |
| 95 PK-10 | 10 | 3 | 1615 | 42 | − | − | − | − | 42,0 | |
| 95 PK-12 | 12 | 2 | 1615 | 42 | 7 | − | 79 | − | 49,0 | |
| 100 | 100 PK-4 | 4 | 7 | 1610 | 26 | 5.5 | 90 | − | − | 20,5 |
| 100 PK-6 | 6 | 2 | 1610 | 26 | 2,5 | − | 82 | − | 28,5 | |
| 100 PK-8 | 8 | 2 | 1610 | 26 | 10 | − | 82 | − | 36,0 | |
| 100 PK-10 | 10 | 3 | 1615 | 42 | − | − | − | − | 42,0 | |
| 100 PK-12 | 12 | 2 | 1615 | 42 | 7 | − | 82 | − | 49,0 |

Key Features:
- High Transmission Ratio: Our Poly V pulleys offer a high transmission ratio, making them ideal for applications requiring precise speed control.
- Low Noise and Vibration: Designed to minimize noise and vibration, our Poly V pulleys ensure smooth operation.
- High Linear Speed: With a linear speed of up to 60m/s, our Poly V pulleys are suitable for high-speed applications.
- Durable Construction: Made from high-quality materials, our Poly V pulleys are built to last.






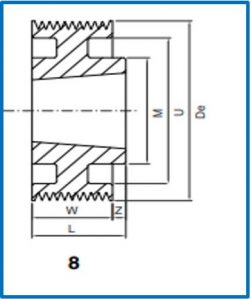
| De [mm] |
Part Number |
Number of grooves |
Type | SER-SIT® Taper bushing |
L [mm] |
z [mm] |
M [mm] |
U [mm] |
W [mm] |
| 106 | 106 PK-4 | 4 | 7 | 1610 | 26 | 5,5 | 90 | − | 20,5 |
| 106 PK-6 | 6 | 2 | 1610 | 26 | 2,5 | − | 88 | 28,5 | |
| 106 PK-8 | 8 | 2 | 1610 | 26 | 10 | − | 88 | 36,0 | |
| 106 PK-10 | 10 | 3 | 1615 | 42 | − | − | − | 42,0 | |
| 106 PK-12 | 12 | 2 | 1615 | 42 | 7 | − | 88 | 49,0 | |
| 112 | 112 PK-4 | 4 | 7 | 1610 | 26 | 5,5 | 90 | − | 20,5 |
| 112 PK-6 | 6 | 2 | 1610 | 26 | 2,5 | − | 94 | 28,5 | |
| 112 PK-8 | 8 | 2 | 1610 | 26 | 10 | − | 94 | 36,0 | |
| 112 PK-10 | 10 | 3 | 1615 | 42 | − | − | − | 42,0 | |
| 112 PK-12 | 12 | 2 | 1615 | 42 | 7 | − | 94 | 49,0 | |
| 118 | 118 PK-4 | 4 | 7 | 1610 | 26 | 5,5 | 90 | − | 20,5 |
| 118 PK-6 | 6 | 7 | 2012 | 32 | 3,5 | 110 | − | 28,5 | |
| 118 PK-8 | 8 | 2 | 2012 | 32 | 4 | − | 98 | 36,0 | |
| 118 PK-10 | 10 | 2 | 2012 | 32 | 10 | − | 98 | 42,0 | |
| 118 PK-12 | 12 | 2 | 2012 | 32 | 17 | − | 98 | 49,0 | |
| 125 | 125 PK-4 | 4 | 8 | 1610 | 26 | 5,5 | 90 | 109 | 20,5 |
| 125 PK-6 | 6 | 7 | 2012 | 32 | 3,5 | 110 | − | 28,5 | |
| 125 PK-8 | 8 | 2 | 2012 | 32 | 4 | − | 105 | 36,0 | |
| 125 PK-10 | 10 | 2 | 2012 | 32 | 10 | − | 105 | 42,0 | |
| 125 PK-12 | 12 | 2 | 2517 | 45 | 4 | − | 105 | 49,0 | |
| 132 | 132 PK-4 | 4 | 8 | 1610 | 26 | 5,5 | 90 | 116 | 20,5 |
| 132 PK-6 | 6 | 7 | 2012 | 32 | 3,5 | 110 | − | 28,5 | |
| 132 PK-8 | 8 | 2 | 2012 | 32 | 4 | − | 112 | 36,0 | |
| 132 PK-10 | 10 | 2 | 2012 | 32 | 10 | − | 112 | 42,0 | |
| 132 PK-12 | 12 | 2 | 2517 | 45 | 4 | − | 112 | 49,0 | |
| 140 | 140 PK-4 | 4 | 8 | 1610 | 26 | 5,5 | 90 | 124 | 20,5 |
| 140 PK-6 | 6 | 7 | 2517 | 45 | 16,5 | 120 | − | 28,5 | |
| 140 PK-8 | 8 | 7 | 2517 | 45 | 9 | 120 | − | 36,0 | |
| 140 PK-10 | 10 | 7 | 2517 | 45 | 3 | 120 | − | 42,0 | |
| 140 PK-12 | 12 | 2 | 2517 | 45 | 4 | − | 124 | 49,0 | |
| 150 | 150 PK-4 | 4 | 8 | 1610 | 26 | 5,5 | 90 | 134 | 20,5 |
| 150 PK-6 | 6 | 7 | 2517 | 45 | 16,5 | 120 | − | 28,5 | |
| 150 PK-8 | 8 | 7 | 2517 | 45 | 9 | 120 | − | 36,0 | |
| 150 PK-10 | 10 | 7 | 2517 | 45 | 3 | 120 | − | 42,0 | |
| 150 PK-12 | 12 | 2 | 2517 | 45 | 4 | − | 130 | 49,0 | |
| 160 | 160 PK-4 | 4 | 8 | 2012 | 32 | 11,5 | 110 | 144 | 20,5 |
| 160 PK-6 | 6 | 8 | 2517 | 45 | 16,5 | 120 | 140 | 28,5 | |
| 160 PK-8 | 8 | 8 | 2517 | 45 | 9 | 120 | 140 | 36,0 | |
| 160 PK-10 | 10 | 8 | 2517 | 45 | 3 | 120 | 140 | 42,0 | |
| 160 PK-12 | 12 | 2 | 2517 | 45 | 4 | − | 140 | 49,0 | |
| 170 | 170 PK-4 | 4 | 8 | 2012 | 32 | 11,5 | 110 | 154 | 20,5 |
| 170 PK-6 | 6 | 8 | 2517 | 45 | 16,5 | 120 | 150 | 28,5 | |
| 170 PK-8 | 8 | 8 | 2517 | 45 | 9 | 120 | 150 | 36,0 | |
| 170 PK-10 | 10 | 7 | 2517 | 45 | 3 | 120 | 150 | 42,0 | |
| 170 PK-12 | 12 | 2 | 2517 | 45 | 4 | − | 150 | 49,0 | |
| 180 | 180 PK-4 | 4 | 6 | 2012 | 32 | 5,75 | 110 | 164 | 20,5 |
| 180 PK-6 | 6 | 6 | 2517 | 45 | 8,25 | 120 | 160 | 28,5 | |
| 180 PK-8 | 8 | 6 | 2517 | 45 | 4,5 | 120 | 160 | 36,0 | |
| 180 PK-10 | 10 | 6 | 2517 | 45 | 1,5 | 120 | 160 | 42,0 | |
| 180 PK-12 | 12 | 5 | 2517 | 45 | 2 | 120 | 160 | 49,0 | |
| 190 | 190 PK-4 | 4 | 6 | 2012 | 32 | 5,75 | 110 | 174 | 20,5 |
| 190 PK-6 | 6 | 6 | 2517 | 45 | 8,25 | 120 | 170 | 28,5 | |
| 190 PK-8 | 8 | 6 | 2517 | 45 | 4,5 | 120 | 170 | 36,0 | |
| 190 PK-10 | 10 | 6 | 2517 | 45 | 1,5 | 120 | 170 | 42,0 | |
| 190 PK-12 | 12 | 5 | 2517 | 32 | 2 | 120 | 170 | 49,0 | |
| 200 | 200 PK-4 | 4 | 6 | 2012 | 45 | 5,75 | 110 | 184 | 20,5 |
| 200 PK-6 | 6 | 6 | 2517 | 45 | 8,25 | 120 | 180 | 28,5 | |
| 200 PK-8 | 8 | 6 | 2517 | 45 | 4,5 | 120 | 180 | 36,0 | |
| 200 PK-10 | 10 | 6 | 2517 | 45 | 1,5 | 120 | 180 | 42,0 | |
| 200 PK-12 | 12 | 5 | 2517 | 45 | 2 | 120 | 180 | 49,0 |




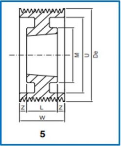
| De [mm] |
Part Number |
Number of grooves |
Type | SER-SIT® Taper bushing |
L [mm] |
z [mm] |
M [mm] |
U [mm] |
W [mm] |
| 212 | 212 PK-4 | 4 | 6 | 2012 | 32 | 5.75 | 110 | 196 | 20,5 |
| 212 PK-6 | 6 | 6 | 2517 | 45 | 8,25 | 120 | 192 | 28,5 | |
| 212 PK-8 | 8 | 6 | 2517 | 45 | 4,5 | 120 | 192 | 36,0 | |
| 212 PK-10 | 10 | 6 | 2517 | 45 | 1,5 | 120 | 192 | 42,0 | |
| 212 PK-12 | 12 | 5 | 2517 | 45 | 2 | 120 | 192 | 49,0 | |
| 224 | 224 PK-4 | 4 | 6 | 2012 | 32 | 5,75 | 110 | 208 | 20,5 |
| 224 PK-6 | 6 | 6 | 2517 | 45 | 8,25 | 120 | 204 | 28,5 | |
| 224 PK-8 | 8 | 6 | 2517 | 45 | 4,5 | 120 | 204 | 36,0 | |
| 224 PK-10 | 10 | 6 | 2517 | 45 | 1,5 | 120 | 204 | 42,0 | |
| 224 PK-12 | 12 | 5 | 2517 | 45 | 2 | 120 | 204 | 49,0 | |
| 236 | 236 PK-4 | 4 | 6 | 2012 | 32 | 5,75 | 110 | 220 | 20,5 |
| 236 PK-6 | 6 | 6 | 2517 | 45 | 8,25 | 120 | 216 | 28,5 | |
| 236 PK-8 | 8 | 6 | 2517 | 45 | 4,5 | 120 | 216 | 36,0 | |
| 236 PK-10 | 10 | 6 | 2517 | 45 | 1,5 | 120 | 216 | 42,0 | |
| 236 PK-12 | 12 | 5 | 2517 | 45 | 2 | 120 | 216 | 49,0 | |
| 250 | 250 PK-4 | 4 | 9 | 2012 | 32 | 5,75 | 110 | 234 | 20,5 |
| 250 PK-6 | 6 | 6 | 2517 | 45 | 8,25 | 120 | 230 | 28,5 | |
| 250 PK-8 | 8 | 6 | 2517 | 45 | 4,5 | 120 | 230 | 36,0 | |
| 250 PK-10 | 10 | 6 | 2517 | 45 | 1,5 | 120 | 230 | 42,0 | |
| 250 PK-12 | 12 | 5 | 2517 | 45 | 2 | 120 | 230 | 49,0 | |
| 280 | 280 PK-4 | 4 | 9 | 2012 | 32 | 5,75 | 110 | 264 | 20,5 |
| 280 PK-6 | 6 | 9 | 2517 | 45 | 8,25 | 120 | 260 | 28,5 | |
| 280 PK-8 | 8 | 9 | 2517 | 45 | 4,5 | 120 | 260 | 36,0 | |
| 280 PK-10 | 10 | 9 | 3020 | 52 | 5 | 146 | 256 | 42,0 | |
| 280 PK-12 | 12 | 9 | 3020 | 52 | 1,5 | 146 | 256 | 49,0 | |
| 315 | 315 PK-4 | 4 | 9 | 2012 | 32 | 5,75 | 110 | 299 | 20,5 |
| 315 PK-6 | 6 | 9 | 2517 | 45 | 8,25 | 120 | 295 | 28,5 | |
| 315 PK-8 | 8 | 9 | 2517 | 45 | 4,5 | 120 | 295 | 36,0 | |
| 315 PK-10 | 10 | 9 | 3020 | 52 | 5 | 146 | 285 | 42,0 | |
| 315 PK-12 | 12 | 9 | 3020 | 52 | 1,5 | 146 | 285 | 49,0 | |
| 355 | 355 PK-4 | 4 | 9 | 2517 | 45 | 12,25 | 120 | 339 | 20,5 |
| 355 PK-6 | 6 | 9 | 2517 | 45 | 8,25 | 120 | 339 | 28,5 | |
| 355 PK-8 | 8 | 9 | 3020 | 52 | 8 | 146 | 335 | 36,0 | |
| 355 PK-10 | 10 | 9 | 3020 | 52 | 5 | 146 | 335 | 42,0 | |
| 355 PK-12 | 12 | 9 | 3020 | 52 | 1,5 | 146 | 335 | 49,0 | |
| 400 | 400 PK-4 | 4 | 9 | 2517 | 45 | 2,25 | 120 | 380 | 20,5 |
| 400 PK-6 | 6 | 9 | 2517 | 45 | 8,25 | 120 | 380 | 28,5 | |
| 400 PK-8 | 8 | 9 | 3020 | 52 | 8 | 146 | 370 | 36,0 | |
| 400 PK-10 | 10 | 9 | 3020 | 52 | 5 | 146 | 370 | 42,0 | |
| 400 PK-12 | 12 | 9 | 3020 | 52 | 1,5 | 146 | 370 | 49,0 | |
| 450 | 450 PK-4 | 4 | 9 | 2517 | 45 | 2,25 | 120 | 420 | 20,5 |
| 450 PK-6 | 6 | 9 | 2517 | 45 | 8,25 | 120 | 420 | 28,5 | |
| 450 PK-8 | 8 | 9 | 3020 | 52 | 8 | 146 | 420 | 36,0 | |
| 450 PK-10 | 10 | 9 | 3020 | 52 | 5 | 146 | 420 | 42,0 | |
| 450 PK-12 | 12 | 9 | 3020 | 52 | 1,5 | 146 | 420 | 49,0 | |
| 500 | 500 PK-4 | 4 | 9 | 2517 | 45 | 2,25 | 120 | 470 | 20,5 |
| 500 PK-6 | 6 | 9 | 2517 | 45 | 8,25 | 120 | 470 | 28,5 | |
| 500 PK-8 | 8 | 9 | 3020 | 52 | 8 | 146 | 470 | 36,0 | |
| 500 PK-10 | 10 | 9 | 3020 | 52 | 5 | 146 | 470 | 42,0 | |
| 500 PK-12 | 12 | 9 | 3020 | 52 | 1,5 | 146 | 470 | 49,0 |
Applications:
- Industrial machinery
- Automotive
- HVAC systems
- Power transmission systems
Product Range:
Octaforce offers a wide range of Poly V pulleys, including:
- SPA Pulley
- SPB Pulley
- SPC Pulley
- Custom-made pulleys available upon request ¹ ² ³.
Why Choose Octaforce?
- High-quality products
- Competitive pricing
- Excellent customer service
- Quick delivery
PK POLY V PULLEY WITH TAPERLOCK OCTAFORCE
PK Poly V Pulley with Taper lock bush are made of Cast iron, Steel and Alluminium Material. Our Poly V Pulley offer zero Backlash and silent functioning due to high quality design. These Octaforce PK pulleys are fit to the shaft using the Taper Lock bushes of different sizes depending on the shaft diameter sizes which helps to deter axial misalignment.
We at Octaforce offer variety of sizes of Octaforce Poly V Pulley PK type with Taperlock which are used in many industries including Oil and Gas industries, Chemical Industries, Pharmaceutical industries, Printing industries and Paper industries.
Our manufactured Octaforce Poly V Pulley are majorly used by leading Oil and energy Companies around the globe.
Please Contact us for any inquiry at sales@octaforce.com and octaforce8@gmail.com
